Skip to content
Generic selectors
Exact matches only
Search in title
Search in content
Post Type Selectors
Search in posts
Search in pages
Menu
Menu

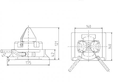
Otočný zámek a základna

Vysoce kvalitní ocelový odlitek pro zajištění námořních kontejnerů