Skip to content
Generic selectors
Exact matches only
Search in title
Search in content
Post Type Selectors
Search in posts
Search in pages
Menu
Menu

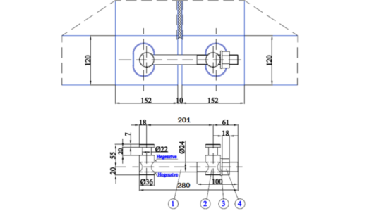
Upevňovací šroub

Žárově pozinkovaný upevňovací šroub s délkou dříku 280 k spojování námořních kontejnerů.

Žárově pozinkované spojky pro bezpečné boční upevnění kontejnerů při přepravě (Schválení DNV-GL)

MateriálOcelový odlitek
Povrchová úpravaŽárově zinkované
Délka260 mm
Hmotnost3 kg